分类
适于粒料的入口:防切料入口形状设计,即便上游充满物料也可安全启动.
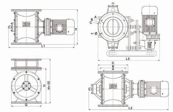
设置排气口:将叶轮旋转带出的高压气体通过排气口送至排气装置,可提高填充效率.[正压输送时选用]
普通型:结构紧凑,占用空间小
轴承外置式:防止粉尘侵入轴承,增大设备适应温度的使用范围.
驱动方式:链驱动/马达直连驱动.
动力配置:摆线针轮减速机,Y系列电机[可按需方指定动力配制].
材质:铸铁/碳钢/201不锈钢/304L不锈钢/316L不锈钢/钛合金等.

| 型号 | A | B | C | H | Q | L1 (内) | L2 (外) | L3 (链) | n-Ф | 工作温度 ℃ | 转速 转/分 | 电机功率KW |
| 2L | 150 | 200 | 240 | 240 | 180 | 580 | 730 | 560 | 8-Ф13 | 内置≤80 外置≤300 | 0.75 | |
| 3L | 150 | 200 | 240 | 300 | 260 | 620 | 780 | 610 | 0.75 | |||
| 4L | 180 | 240 | 280 | 280 | 260 | 640 | 800 | 630 | 0.75 | |||
| 6L | 200 | 260 | 300 | 300 | 300 | 680 | 820 | 650 | 1.1 | |||
| 8L | 220 | 280 | 320 | 320 | 320 | 710 | 850 | 690 | 1.1 | |||
| 10L | 240 | 300 | 340 | 340 | 340 | 730 | 900 | 710 | 1.1-1.5 | |||
| 12L | 260 | 320 | 360 | 360 | 360 | 780 | 950 | 730 | 1.1-1.5 | |||
| 16L | 300 | 360 | 400 | 400 | 380 | 820 | 1000 | 750 | 1.5 | |||
| 26L | 400 | 460 | 500 | 555 | 450 | 870 | 1200 | 770 | 12-Ф17 | 2.2-3 | ||
| 40L | 500 | 558 | 620 | 620 | 480 | 910 | 1300 | 880 | 3-4 | |||
| 80L | 550 | 620 | 670 | 680 | 500 | 1200 | 1350 | 950 | 4-5.5 | |||
| 150L | 600 | 670 | 720 | 740 | 580 | 1400 | 1600 | 1100 | 5.5-7.5 |